Home
Aufgabenstellung
Projektbeschreibung
Download
Links
Team
Bilder
Hilfe
Impressum
Projektablaufplan
ZURÜCK
1
2
3
4
5
6
7
VOR
Vollbild
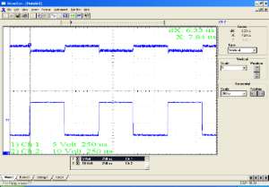
MBus Slave Übertragung bei generiertem Rechtecksignal über die RS232 Leitung.
ZURÜCK
1
2
3
4
5
6
7
VOR
Bilder
©
2009
Technikerabschlussprojekt
Schnittstellenmultiplexer
Technikerprojekt
Marcel Lehmich & Michael Ockenfeld